电话:0577-66996885
传真:0577-66995778
手机:13353386068
Q Q:2219968630
网址:www.bengzhan.cn
地址:浙江省永嘉县瓯北镇三桥工业区
【JYWQ系列自动搅匀潜水泵】产品:
产品简介:
JYWQ、JPWQ系列自动搅匀潜水排污泵是在WQ型号潜水排污泵的基础上采用自动搅拌装置,该装置随电机轴旋转,产生极强的搅拌力,将污水池内的沉积物搅拌成悬浮物,吸入泵内排出,提高了泵的防堵、排污能力,一次性完成了排水、清污、除淤,节约了运行成本,是具有明显的先进性和实用性的环保产品。该产品成功适用于于化工、石油、制药、采矿、造纸、电厂及城市污水处理、市政工程、公共设施排污等输送带颗粒、沉淀物的污水污物,并获得了用户的一直好评!注:JYWQ为普通型;JPWQ为带不锈钢外套内循环冷却系统自动搅匀排污泵。
【JYWQ系列自动搅匀潜水泵】型号意义:
【JYWQ系列自动搅匀潜水泵】产品特点:
1.当自动搅匀排污泵运转时,自动搅拌池底沉积物,彻底防止污物淤积,无须人工清理;
2.独特的叶轮设计,具有将纤维物、杂物切碎和撕裂的功能;
3.采用外循环冷却系统,使排污泵低水位运转,减少电机起动频率,延长电机寿命;
4.标准图集推荐产品;
【JYWQ系列自动搅匀潜水泵】使用条件:
1、介质温度不超过60℃,介质重度为1~1.3kg/dm3,PH值在4~10范围内。
2、1Cr18Ni9ti不锈钢材质可适用各种腐蚀性介质。
注:用户如有特殊的介质、温度等要求,请要订货时注明输送介质详细情况,以便本公司提供更为可靠之产品。
【JYWQ系列自动搅匀潜水泵】产品用途:
1.工厂、商业严重污染废水的排放。
2.城市污水处理厂、医院、宾馆的排水系统。
3.住宅区的污水排水站。
4.人防系统排水站、自来水厂的给水装置。
5.市政工程、建筑工地。
6.勘探、矿山、发电厂配套附机。
7.农村沼气池、农田灌溉、河塘清淤。
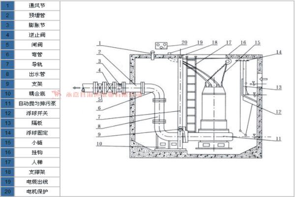
【JYWQ系列自动搅匀潜水泵】结构图:
【JYWQ系列自动搅匀潜水泵】结构特点:
1、采用独特的双流道无堵塞叶轮结构,提高污水污物的过流能力和排污能力。
2、自动搅拌装置,产生极强的搅拌力,将池内的沉淀物搅拌成悬浮物后吸入叶轮排出,达到清淤的作用。
3、隔板将底座一分为二,搅拌与进水互不影响。
4、机械密封为双端面机械密封,长期处于油室中,保证水泵安全可靠地运行。
5、副叶轮结构的流体动力密封,既有辅助密封作用,从而保护机械密封,又平衡轴向力,延长轴承的使用寿命。
6、泵连线腔内没有漏水检测探头,出现漏水时,探头发出信号,控制系统对泵实施保护,本公司可配全自动安全保护控制柜。
7、电机定子采用B级和F级绝缘,内设热保护器,当电机过载发热,保护器及时作出动作,对泵和电机实施的保护。
8、油室内装有油水探头,当机械密封损坏后,水进入油室,探头发出信号由控制系统对水泵实施保护。
9、JPWQ带内循环冷却系统,能保证水泵在水池*低水位正常工作。
【JYWQ系列自动搅匀潜水泵】性能参数:
.jpg)
.jpg)
【JYWQ系列自动搅匀潜水泵】性能曲线图:
【JYWQ系列自动搅匀潜水泵】安装示意图:
|
双导轨双泵排水平面 |
单导轨单泵排水平面 |
|
注:JYWQ、JPWQ系列自动搅匀潜水排污泵选型时,请注明泵的型号,安装方式,池深,泵控制保护方式,以便提供可靠的系统 |
|
【JYWQ系列自动搅匀潜水泵】使用注意事项:
(1)运转前应用兆欧表检查电机定子绕组对地的绝缘电阻,*低不得少于50兆欧。
(2)检查电缆有无破损、折断等现象。如有损伤须及时更换,以免漏电;电缆截面应与电流相匹配。
(3)电压超过额定电压的±10%时,不得启动电泵。
(4)以保证使用安全,必须将四芯电缆中的接地线可靠接地,以防发生触电事故。
(5)电泵潜入水中时,应垂直起吊,不允许横放着地,更不能陷入污泥中。停止使用时应将电泵吊起清洗干净, 置于干燥处,并注意防冻。
(6)禁止将电缆作为安装起吊绳使用。
(7)检查转子运转方向,从上向下看应为顺时针方向旋转。
(8)室外的开关或接线端应有防雨、防潮措施,湿手或赤足时禁止触及开关,防止触电。
(9)移动电泵时,必须切断电源,电泵在运行时人不得接触水源,以防漏电发生人身事故。
(10)严禁电机缺相运转,如发现保险丝熔断,应检查原因后方可继续使用,不得任意加粗保险丝。
(11)泵运转时,应有专人管理,如发现有不正常现象应立即停机检查,排除故障。(指末配全自动保护柜的情况)。
(12)电泵在规定的工作介质条件下正常运行半年后,应检查油室密封状况,如油室中的油呈乳状或有水沉淀,应及时更换10~20号机械油和机械密封。对于在恶劣工作条件下使用的电泵,更应经常检修。
(13)用户应根据实际使用的工况选择合适的流量扬程,以达到*佳使用效果,泵铭牌或说明书上所示参数为该*佳使用工况点,用户可选在(0.7~1.2)倍*佳流量内使用,禁止超流量使用,否则流量过大,扬程过低容易使电机过载。
【JYWQ系列自动搅匀潜水泵】故障原因及排除方法:

